Loading...

GTS Admiral W.M. Callaghan

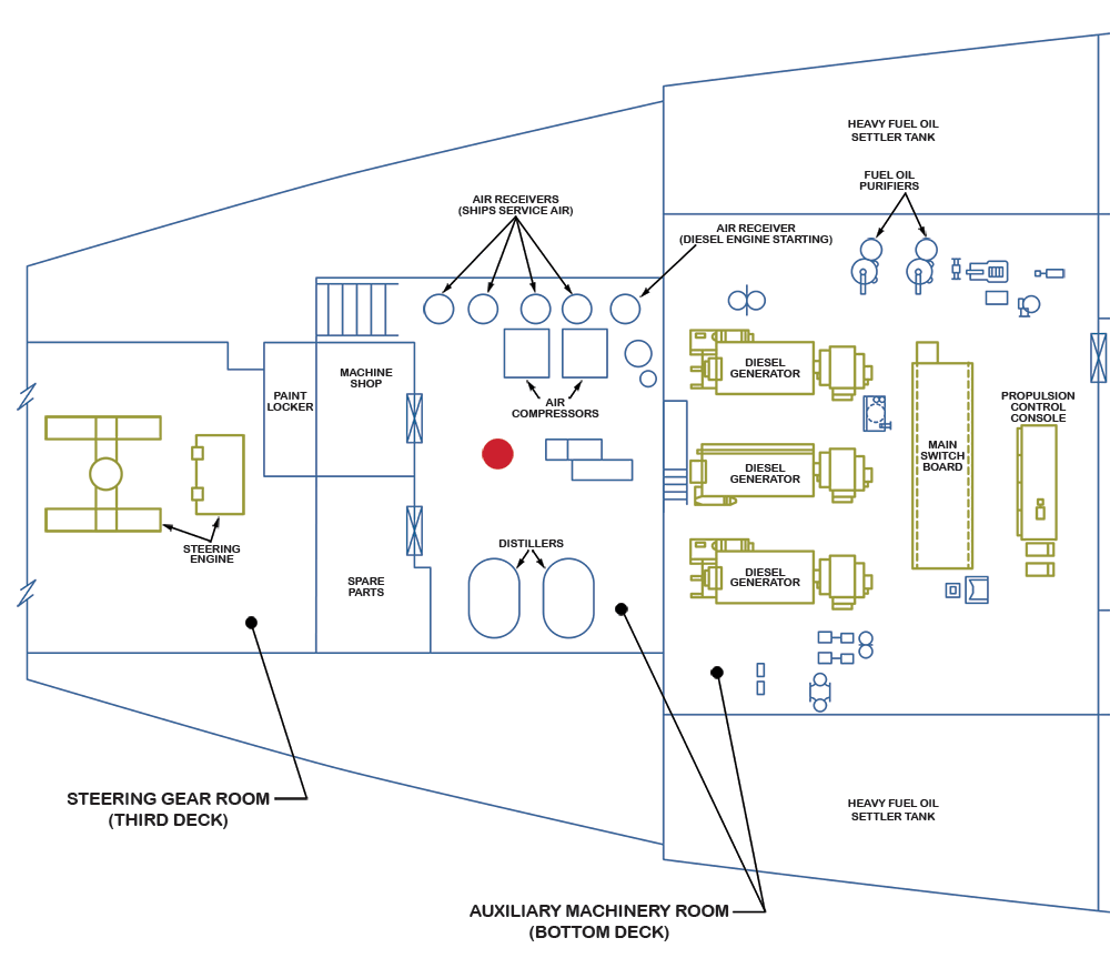
Aft end of the auxiliary machinery space. Initial view (looking starboard) are two Alfa-Laval freshwater generators. Panning to the right: the entrance to the ship's machine shop, then two Kaeser compressors for ship's air.

Click for location map.